Harrison House

Location : Harrison, NJ

Area : +/- 3,000 SF.

Typology: Multifamily

Completion: W.I.P.

This two-family home was built in 1920 — with original doors, trim, staircase, and tin ceilings intact. Despite these details, parts of the home were renovated in 2004, gracing the home with red oak cabinets and brass hardware. With a majority of the budget going towards maintenance of the building envelope and systems, we have designed a few minor layout changes that modernize the floor plan and increase the bedroom count. Kitchen renovations include painting and rearrangement of the existing cabinetry. This project is a work in progress - stay tuned for updates.

Living room with beige sectional sofa, green chair, coffee table, houseplants, and a brown dog lying on the wooden floor near the kitchen.

Apatment 2 Living / Dining / Kitchen

Apartment 1

Floor plan of an apartment with handwritten notes highlighting features: bathroom is in the kitchen..., missing doors on the pantry and bedroom, no private backyard access for either unit, an 8' wide bedroom and a huge dining room?

EXISTING FLOOR PLAN

Floor plan of a house showing layout of rooms, with annotations indicating new additions like back hall, front door, closets, laundry, sliding doors, and kitchen.

PROPOSED FLOOR PLAN

Apartment 2

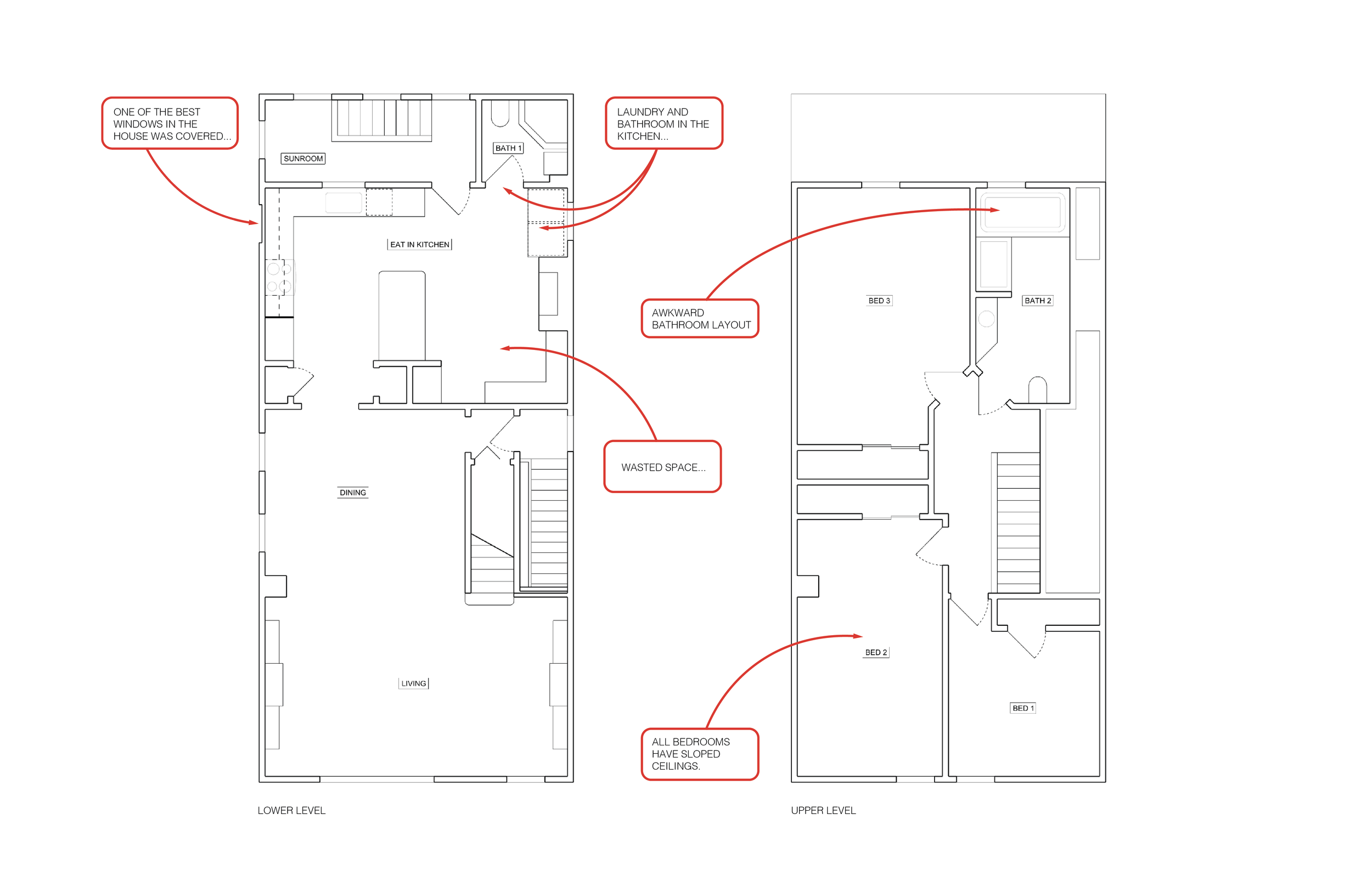
Floor plan of a house showing lower and upper levels, with labels and red annotations highlighting features problems with the layout including sloped ceilings in the bedroom and a bathroom within the eat in kitchen.

EXISTING FLOOR PLAN

Floor plan of a house showing the lower and upper levels with handwritten notes indicating renovations such as adding 2 bedrooms and opening the floor plan.

PROPOSED FLOOR PLAN